9급 국가직 공무원 토목설계 (2014년04월19일 기출문제)
1과목 : 과목 구분 없음
1번
보의 경간이 10m이고 양쪽 슬래브의 중심간 거리가 2.0m인 T형보에서 유효플랜지 폭[mm]은? (단, 복부폭 bω=500mm, 플랜지 두께 ty=100mm이다.)
2번
2방향 슬래브에서 직접설계법을 적용할 수 있는 제한 조건 중 옳지 않은 것은?
3번
콘크리트의 크리프 및 건조수축을 설명한 것으로 옳은 것만을 모두 고르면?

4번
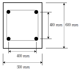
다음 그림과 같이 띠철근이 배근된 비합성 압축부재에서 축방향 주철근량[mm2]의 범위는? (단, 축방향 주철근은 겹침이음이 되지 않으며, 2012년도 콘크리트 구조기준을 적용한다)

5번
다음 그림과 같이 PS강재를 포물선으로 배치한 PSC보에 등분포 하중(자중 포함) ω=16kN/m가 작용할 경우, 경간 중앙의 단면에서 상연응력과 하연응력이 동일하였다. 이때 경간 중앙에서의 PS강재의 편심거리 e[m]는? (단, 프리스트레스 힘 P=2,500kN이도입된다)

6번
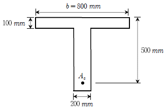
다음 그림과 같이 정(+)의 휨모멘트가 작용하는 T형보 설계시 b(=800mm)를 폭으로 하는 직사각형보로 취급할 수 있는 철근량 As의 한계값[mm2]은? (단, 콘크리트의 설계기준압축강도 fck=20MPa, 철근의 설계기준항복강도 fy=400MP이다)

7번
전단력이 연직방향으로 작용할 때 동일방향으로 균열이 예상되는 콘크리트 접합면에 계수전단력 Vu=540kN이 작용하였다. 이 때 전단면(균열면)에 수직하게 배치되는 전단마찰철근량 Avf[mm2]는? (단, 전단면(균열면)의 마찰계수 μ=06, 콘크리트의 설계기준압축강도 fck=20MPa, 철근의 설계기준항복강도 fy=400MPa, 2012년도 콘크리트 구조기준을 적용한다)
8번
옹벽의 안정조건에 대한 설명으로 옳지 않은 것은?
9번
다음 그림과 같은 포스트텐션보에서 PS강재가 단부A에서만 인장력 Po로 일단 긴장될 때, 마찰손실을 고려한 단면 C, D 위치 에서 PS강재의 인장력은? (단, AB, DE :곡선구간, BC, CD:직선 구간, PS강재의 곡률마찰계수 μ=0.3(/rad), PS강재의 파상마찰 계수 k=0.004, 마찰손실을 제외한 다른 손실은 고려하지 않는다) (순서대로 단면 C (PC), 단면 D (PD)

10번
띠철근으로 보강된 사각형 기둥의 압축지배구간에서는 강도감소계수 ø=( ㉠ ), 나선철근으로 보강된 원형기둥의 압축지배구간에서는 강도감소계수 ø=( ㉡ )로 규정하였다. 강도감소계수를 다르게 적용하는 주된 이유는 ( ㉢ )이다. ㉠, ㉡, ㉢ 안에 들어갈 내용은? (단, 2012년도 콘크리트 구조기준을 적용한다) (순서대로 ㉠, ㉡, ㉢)
11번
압축철근의 역할 중 옳지 않은 것은?
12번
강도설계법에 관한 내용 중 옳지 않은 것은?
13번
그림과 같은 연직하중과 모멘트가 작용하는 철근 콘크리트 확대 기초의 최대 지반응력[kN/m2]은? (단, 기초의 자중은 무시한다)

14번
다음 그림과 같이 인장력이 작용하는 강판의 최소 순단면적 [mm2]은? (단, 볼트이음으로 볼트구멍의 지름은 20㎜이며, 강판의 두께는 10㎜이다)

15번
프리스트레스트 콘크리트에서 발생되는 프리스트레스의 손실에 대한 설명으로 옳은 것은?
16번
보통중량콘크리트에서 압축을 받는 이형철근 D25를 정착시키기 위해 소요되는 기본정착길이 ldb는? (단, 콘크리트의 설계기준압축 강도 fck=25MPa, 철근의 설계기준항복강도 fy=300MPa, 이형철근 D25의 직경(db)은 25mm로 고려하고, 2012년도 콘크리트 구조기준을 적용한다)
17번
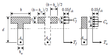
다음 그림과 같은 단철근 T형보의 공칭휨강도 Mn 및 철근량 Asf를 구하는 식으로 옳은 것은? (단, 중립축은 복부에 위치하고, Asω=As-Asf, fck:콘크리트의 설계기준압축강도, fy :철근의 설계기준항복강도이다)

18번
보통중량콘크리트를 사용한 휨부재인 철근콘크리트 직사각형보가 폭이 600mm, 유효깊이가 800mm일 때 전단철근을 배치하지 않으려고 한다. 이 때 위험단면에 작용하는 계수전단력 (Vu)은 최대 얼마 이하의 값[kN]인가? (단, 직사각형보는 슬래브, 기초판, 장선구조, 판부재에 해당되지 않으며, 콘크리트의 설계기준압축 강도 fck=25MPa, 철근의 설계기준항복강도 fy=300MPa, 2012년도 콘크리트 구조기준을 적용한다)
19번
인장지배 단면인 직사각형보의 공칭휨강도 Mn은 320kN∙m 이다. 이 직사각형보에 고정하중으로 인한 휨모멘트 Md=160kN∙m가 작용할 때, 연직 활하중에 의한 휨모멘트 Ml의 허용 가능한 최대값[kN∙m]은? (단, 보에는 고정하중과 활하중만 작용하며, 2012년도 콘크리트 구조기준을 적용한다)
20번
다음 그림과 같은 휨부재 단철근 직사각형보에 대한 내용으로 옳지 않은 것은? (단, cb :균형보의 중립축거리, ρb :균형철근비, ρmax :최대철근비, ϵtmin :최소 허용변형률, ϵy:철근의 항복변형률, Mn: 공칭휨강도, fck : 콘크리트의 설계기준압축강도(MPa), Es:철근의 설계기준항복강도(MPa)철근의 탄성계수 (=2.0×105MPa), 2012년도 콘크리트 구조기준을 적용한다)
